当前位置:首页>深圳>深圳万讯MVP3600智能阀门定位器

深圳万讯MVP3600智能阀门定位器

  • 2026-03-12 20:18:31
深圳万讯MVP3600智能阀门定位器

万讯MVP3600智能阀门定位器用户手册

阅读原文下载说明书

股票代码:300112 | 版本:Ver 202103

深圳万讯自控股份有限公司 | 售后服务: 4000 300 112

地址:深圳市南山区高新技术产业园区北3号路万讯大厦

电话:0755-86250388 | 传真:0755-86250389

官网:www.maxonic.com.cn

目录

  • 1. 用户须知
  • 2. 概述
  • 3. 技术参数
  • 4. 安装说明
  • 5. 调节操作
  • 6. 用户参数
  • 7. 使用异常与维护保养
  • 8. 运输和贮存
  • 9. 产品选型

1. 用户须知

警告:在安装和调试前请认真阅读此手册。

1.1 安全图标

符号
标语
解说
⚠️
警告
如果某个操作或过程执行不当,将会导致人身伤害或安全事故,请严格遵守规范,谨慎操作。
📌
注意
如果某个操作或过程执行不当,将会导致设备操作故障或设备损坏,请严格遵守规范。
💡
提示
如果某个操作或过程执行不当,会间接影响设备运行或触发设备某部分发生意外响应。

1.2 安全注意事项

  • 本设备的设计满足先进的安全要求,通过出厂测试,出厂时操作安全有效。
  • 必须遵守允许的贮存、运输和操作温度。
  • 必须按照连接图的规定对设备进行接线。
  • 在危险区内操作设备时,必须遵守相关的国家规定和Ex防爆文档中的安全说明。

1.3 应用范围

  • 除本手册规定的应用范围,其它任何应用范围均会对人员和整个设备系统的安全造成威胁,禁止使用。
  • 制造商对于操作不当或者非指定用途引起的损害不承担责任。

1.4 安装和调试操作

  • 本设备只能由经过培训、获得授权的合格专业人员(如电工)进行安装、连接、调试和维护。
  • 安装本设备时,应在断电状态下且没有外部负荷或应力时进行。
  • 除非《用户使用手册》允许,否则不能对设备进行修改或维修。
  • 对本设备进行修理时,必须在明确允许进行修理并使用原装备件情况下。

1.5 开箱清单

  • MVP智能阀门定位器
  • 用户手册
  • 安装配件(可选)

2. 概述

MVP智能阀门定位器为深圳万讯自控股份有限公司推出的智能型两线制现场仪表。本定位器作为气动阀门的配套控制部件,广泛运用于化工、石油、冶金、轻工、电力等领域的自动控制系统中。

2.1 功能介绍

  • 自适应功能:
    自动寻找阀门零点和量程,优化阀门控制参数,提高控制精度。
  • 组态功能:
    可设置阀门特性曲线、动作方式、死区、紧密关闭、事件输出。
  • 自诊断功能:
    能显示输入电流值、上/下行程时间、死区等。
  • 安全阀位:
    可选择全开、全关、保持、手动等模式。
  • 通讯功能:
    HART协议的通讯功能。
  • 反馈功能:
    4~20mA DC阀位反馈信号、开关量反馈信号。

2.2 特点

  • 定位精度高达0.5% F.S
  • 操作无需开壳,高防护等级下实现真正的就地操作
  • 结构简单,体积小,可安装在小型执行机构上
  • 自动整定,自动诊断,阀门特性曲线可组态设定
  • 机械零件少,抗振性能好
  • 可就地或远程进行菜单设置
  • 低功耗、低耗气量、低运行成本
  • 采用二线制4~20mA标准信号
  • 防雷模块可选,降低定位器因雷击浪涌而损坏几率

2.3 防雷特性

MVP智能阀门定位器可选防雷放电电路,构成具有防雷功能的阀门定位器。

  • 防雷功能非标配,作为产品选型中的可选项。
  • 使用防雷定位器时,必须按相关国家标准进行接地处理。

3. 技术参数

气动指标
气源压力
0.14~0.7 MPa
阀泄漏量
< 0.6 L/H
稳态耗气量
< 36 L/H
气源质量要求
根据ISO8573-1,最大颗粒尺寸和密度:4级;含油量:4级;露点:低于最低环境温度10K
输入/输出
电流输入
4~20 mA DC,最小工作电流 >3.8 mA DC;可设定分程控制起点和终点
反馈输出
4~20 mA DC
开关输出
2路电子开关
压电阀开关次数
平均无故障动作次数 >20亿次
性能参数
输出特性修正
线性,1:30,30:1,用户自定义20段曲线
基本误差
≤±0.5% F.S
回差
≤0.5% F.S
死区
0.1~10% 可调整
环境条件
环境温度
隔爆型: -40~+65℃(T6)/70℃(T5)/80℃(T4)本安型: -40~+50℃(T6)/65℃(T5)/80℃(T4)
环境湿度
5~95% RH
抗振性能
15~150 Hz @ 2g
防护等级
IP65(根据客户需求)
物理特性
外形尺寸
206.5 × 117.4 × 107 mm
重量
约4.0 kg
外壳材质
铝合金/不锈钢(可选)

4. 安装说明

4.1 外形尺寸

(外形尺寸图略)

4.2 机构安装

4.2.1 反馈杆转角范围

  • 直行程定位器:推荐反馈角度在40°到60°之间。
  • 反馈杆转角范围极限位置有箭头标志,中间位置对应反馈值约50.0。

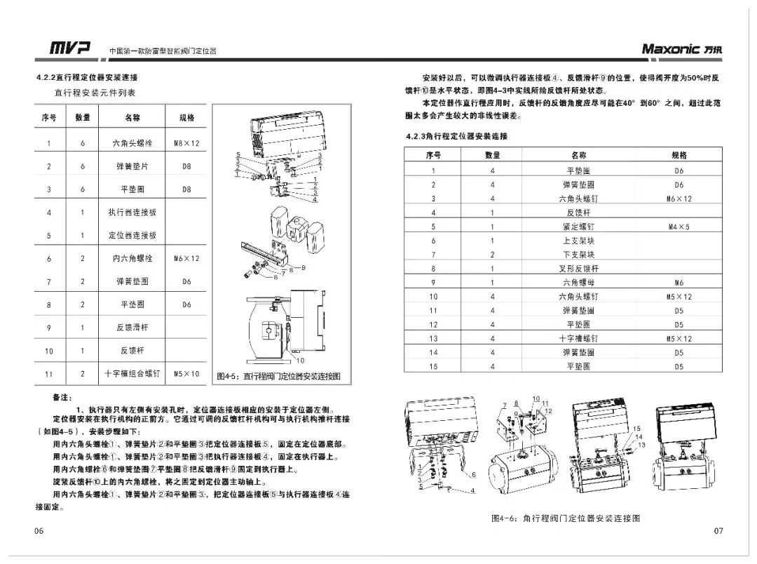
4.2.2 直行程定位器安装连接

安装步骤:

  1. 将定位器连接板固定在定位器底部。
  2. 将执行器连接板固定到执行器上。
  3. 将反馈滑杆固定到执行器上。
  4. 将反馈杆固定到定位器主动轴上。
  5. 连接定位器连接板与执行器连接板。
  6. 微调位置,使阀开度为50%时反馈杆处于水平状态。

4.2.3 角行程定位器安装连接

安装步骤:

  1. 将上支架块固定在定位器底部。
  2. 将反馈杆套在定位器主动轴上并固定。
  3. 将下支架块固定在执行机构上。
  4. 安装叉形反馈杆到执行机构上。
  5. 将定位器安装到执行机构上,使反馈杆上的圆柱销正确套入叉形反馈杆的插槽内。
  6. 调整并锁紧所有连接件。

4.3 气路连接

  • 气路连接在定位器右侧,接口类型:G1/4或1/4NPT(订货时选择)。
  • 进入定位器的压缩空气必须经过空气过滤减压阀的过滤和稳压。
  • 气源要求:压力0.14~0.7 MPa;清洁干燥空气;最大颗粒尺寸和密度4级;含油量4级;露点低于最低环境温度10K。

4.4 电气连接

4.4.1 电气连接要求

  • 应严格按照连接图进行,应可靠固定,不得松动。
  • 本安型定位器必须与已通过防爆认证的关联设备配套使用。
  • 电缆接头为标准的防水接头,信号电缆外径需≥8mm。
  • 在爆炸性环境中使用时,必须使用符合防爆标准的电缆引入装置。

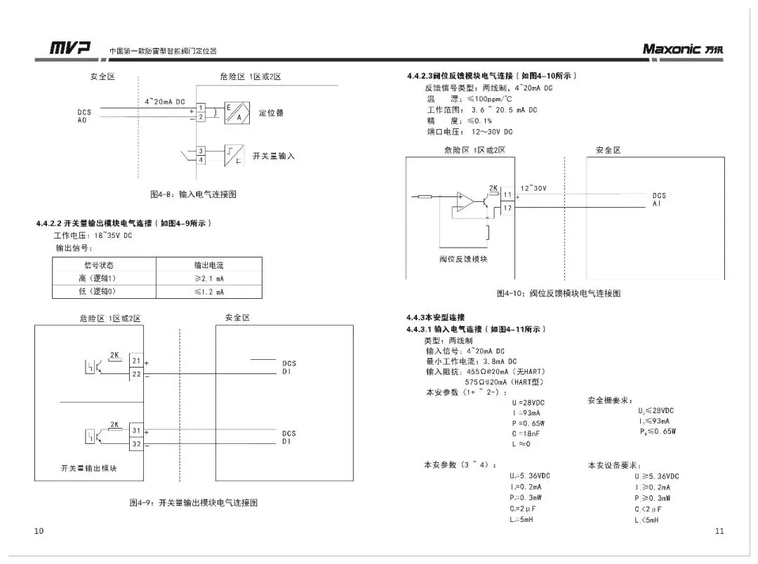
4.4.2 隔爆型连接

  • 输入电气连接:
    两线制,4~20 mA DC,最小工作电流3.8 mA DC。
  • 开关量输出模块:
    工作电压18~35 V DC,输出逻辑高低电平。
  • 阀位反馈模块:
    两线制,4~20 mA DC,工作电压12~30 V DC。

4.4.3 本安型连接

  • 输入电气连接:
    两线制,4~20 mA DC。
  • 本安参数:
    需满足安全要求参数。
  • 阀位反馈模块:
    两线制,4~20 mA DC,本安参数需满足要求。

5. 调节操作

5.1 操作界面说明

  • LCD显示:
    分为两行显示。
  • 正常状态下:
    第1行显示阀位值;第2行显示阀位动作方向、运行状态码、阀位设定值。
  • 菜单状态下:
    第1行显示参数值;第2行显示参数序号、参数名称。
  • 按键:
    三个按键:A/M键、增加键、减少键。

5.2 用户菜单

5.2.1 用户菜单进入

在正常工作界面下,按住A/M键3秒钟后进入用户菜单。

5.2.2 用户菜单类选择

菜单分为四类:P1、P2、P3、P4。按A/M键可循环选择菜单类。

5.2.3 用户参数修改

按A/M键进入参数修改状态,参数名开始闪烁。使用增加/减少键修改参数值。

5.2.4 用户参数复位

  1. 进入PRST参数。
  2. 按A/M键,PRST闪烁。
  3. 长按增加键,显示"STRT",3秒后复位完成。

5.2.5 用户菜单退出

长按A/M键3秒后退出用户菜单。

5.3 初始化

注意:初始化前请检查反馈杆旋转角度是否正确,气源是否正常,工况是否允许整定。

5.3.1 初始化前检查

  • 检查反馈杆角度:阀门开一半时,显示角度应为0°左右。
  • 检查阀门全开和全关位,定位器不应有报警。

5.3.2 自动整定

  1. 在正常运行状态,长按A/M键3秒进入用户菜单。
  2. 选择INIA参数。
  3. 按A/M键进入参数修改状态。
  4. 长按增加键,显示"STRT",3秒后进入自动整定。
  5. 整定程序按"STEP1"到"STEP5"进行。
  6. 整定完成后,按A/M键返回正常运行状态。

5.3.3 手动整定

  1. 在正常运行状态,长按A/M键3秒进入用户菜单。
  2. 选择INIM参数。
  3. 按A/M键进入参数修改状态。
  4. 长按增加键,显示"STRT",3秒后进入手动整定。
  5. 设置零点和量程。
  6. 整定完成后,按A/M键返回正常运行状态。

5.4 诊断

5.4.1 诊断菜单进入

长按A/M键+增加键3秒钟后,进入诊断菜单。

5.4.3 诊断参数表

序号
参数显示代码
功能内容/范围
单位
1
CURR
输入电流 4.00~20.00
mA
2
TUP
上行程时间 0~200
S
3
TOM
下行程时间 0~200
S
4
DBUP
上行程最小死区 0.1~10.0
%
5
DBM
下行程最小死区 -0.1~10.0
%

5.5 报警

错误代码
报警内容
处理方法
DOWN
位置传感器零点位置过低(角度<-52°)
检查反馈连接附件安装是否正确;微调安装支架位置
UP
位置传感器零点位置过高(角度>52°)
检查反馈连接附件安装是否正确
RERR
自整定第一步异常
检查气源;手动控制检查阀门动作;检查定位器输出口是否有气输出
UPDN
自整定范围过窄(反馈最大值与最小值之差小于20)
调节反馈杆上的滑杆,使阀位反馈值范围大于20
SPER
自定义曲线设置错误(非单调上升/下降)
重新设置菜单值;检查阀门连接;恢复出厂设置
FBER
反馈超限(反馈值>110%或<10%)
检查反馈传感器,必要时更换;重新调校定位器
SVER
输入电流超限(>21.6mA或<3.8mA)
检查输入信号电流值
BKER
执行器错误(无法将阀门驱动到指定位置)
清洗阀门;检查阀门连接机构

6. 用户参数

6.1 参数列表

序号
参数显示代码
功能内容/范围
出厂值
单位
菜单类别
01
INIA
初始化(自动):未启动/启动
NO
-
P1
02
INIM
初始化(手动):未启动/启动
NO
-
P1
04
TYPE
执行机构的类型:直行程/角行程
TURN
-
P1
06
DEBA
控制器死区 AUTO/0.1~10.0
AUTO
%
P1
09
SDIR
控制输入信号与阀位关系 RISE/FALL
RISE
-
P2
10
SPRA
分程控制的起始点 0.0~100.0
0.0
%
P2
11
SPRE
分程控制的终点 0.0~100.0
100.0
%
P2
14
SFCT
阀门特性:线性/1:30/30:1/自定义
LINE
-
P2
36
YA
工作阀位下限值 0.0~100.0
0.0
%
P3
37
YE
工作阀位上限值 0.0~100.0
100.0
%
P3
42
SAFE
安全阀位:保持/全关/设定值/全开
OFF
%
P4
48
AMIN
输出电流最小值 4.0~20.0
4.0
mA
P4
49
AMAX
输出电流最大值 4.0~20.0
20.0
mA
P4
51
PROT
HART通讯写参数保护功能 ON/OFF
OFF
-
P4

6.2 关键参数解释

  • INIA/INIM:
    自动/手动初始化。
  • TYPE:
    执行机构类型选择(直行程LINE/角行程TURN)。
  • DEBA:
    控制器死区。AUTO时根据运行情况自动调整。
  • SDIR:
    阀位设定值与阀位的关系。RISE:4mA对应0%,20mA对应100%;FALL则相反。
  • SFCT:
    阀门特性曲线选择(线性/1:30/30:1/自定义)。
  • YA/YE:
    工作阀位下限/上限值,用于限制阀门活动范围。
  • SAFE:
    安全阀位设置,在故障时阀门动作到指定位置。
  • PROT:
    HART写保护,ON时禁止通过HART修改参数。

7. 使用异常与维护保养

7.1 异常状况排除

异常情况特征
产生原因
解决方法
执行机构手/自动均不动作
气源压力低;执行机构被卡住
调节气源压力;解除执行机构被卡问题
执行机构自动状态下不动作或动作慢
气源压力低;定位器整定时中途退出
调节气源压力;重新整定
频繁动作(补气)
气路系统漏气
检查外部气路是否漏气;增加控制器死区1(DEBA1)的值
振荡
用户菜单设置不对;执行机构气室容积太小
增加死区范围,增大阻尼值
回差大
安装支架或反馈连接件不符合要求
检查安装,必要时初始化
阀门不能全开或全关
气源压力太小;初始化数据不正确;设置了限位值
调节气源压力;执行初始化;检查用户参数
无显示
输入信号太小(<3.6mA);电气连接端子螺丝松脱;主板坏
检查输入信号;拧紧端子螺丝;更换主板
无阀位反馈电流
阀位反馈模块故障;外部无配电;接线极性反
更换模块;提供24V工作电压;重新正确接线
反馈电流与实际阀位不符
阀位反馈模块零点、量程偏离;调节的实际行程本身与标尺不符
调整反馈模块上的零点满度电位器;手动整定

7.2 维护保养

  • 定期检查气源是否干燥、清洁。
  • 定期对压力调节阀进行放水和排污。
  • 定期检查反馈连接附件螺丝是否有松动,如发现松动应立即拧紧。
  • 保持气源和输出压力表的清洁,便于观察定位器是否正常工作。
  • 防爆部分的维护和保养,应按国家有关规定进行检查和维护。

8. 运输和贮存

  • 运输时应轻装轻卸,严禁撞击和受压受潮及损坏机件。
  • 贮存温度:-40℃~80℃,相对湿度不大于75%,无凝结。
  • 空气中不含有腐蚀仪表的有害杂质。
  • 按包装箱表面标记放置,不应倒置。

9. 产品选型

产品型号格式:MVP360□ - □ - □ - □ - K □ - □ - □

选项
说明
代码
安全位置复位保位
0:无;1:有
0/1
动作方式
L:直行程;S:10mm以下直行程;R:角行程
L/S/R
作用方式
1:单作用;2:双作用
1/2
防爆
D:中国防爆-气体防爆;E:中国防爆-气体本安防爆;P:中国防爆-气体/粉尘防爆等
D/E/F/P/B/A/1/2/3/4
通讯
0:无;H:HART通讯
0/H
阀位变送输出
0:无;F:4~20mA电流输出
0/F
位置开关输出
1:无;2:两路电子开关输出
1/2
电源/气源接口
G:M20×1.5/G1/4;N:M20×1.5/1/4NPT等
G/N/M/P
压力表组件
0:无;1:带压力表组件;2:带不锈钢压力表组件等
0/1/2/G/S
附选
0:无附加选项;S:不锈钢壳体;1:防雷等
0/S/N/1/T/M/P/W

注:1. 防爆代码D、P,环境温度-20~65(T6)/70(T5)℃。2. 防爆代码B、A、1、2,环境温度-20~65(T6)/70(T5)/80(T4)℃。3. 防爆代码3、4,环境温度-40~65(T6)/70(T5)℃。4. 如果直行程行程小于16mm,推荐选择1:6小行程选项;如果行程小于10mm必须选择1:6小行程选项。5. 附选项,若无注明壳体材质,为标配铝合金。

最新文章

随机文章

基本 文件 流程 错误 SQL 调试
  1. 请求信息 : 2026-04-17 18:46:57 HTTP/2.0 GET : https://c.460.net.cn/a/476369.html
  2. 运行时间 : 0.100902s [ 吞吐率:9.91req/s ] 内存消耗:4,411.52kb 文件加载:140
  3. 缓存信息 : 0 reads,0 writes
  4. 会话信息 : SESSION_ID=c59804e3abfd9d166bfb9a221de533db
  1. /yingpanguazai/ssd/ssd1/www/c.460.net.cn/public/index.php ( 0.79 KB )
  2. /yingpanguazai/ssd/ssd1/www/c.460.net.cn/vendor/autoload.php ( 0.17 KB )
  3. /yingpanguazai/ssd/ssd1/www/c.460.net.cn/vendor/composer/autoload_real.php ( 2.49 KB )
  4. /yingpanguazai/ssd/ssd1/www/c.460.net.cn/vendor/composer/platform_check.php ( 0.90 KB )
  5. /yingpanguazai/ssd/ssd1/www/c.460.net.cn/vendor/composer/ClassLoader.php ( 14.03 KB )
  6. /yingpanguazai/ssd/ssd1/www/c.460.net.cn/vendor/composer/autoload_static.php ( 4.90 KB )
  7. /yingpanguazai/ssd/ssd1/www/c.460.net.cn/vendor/topthink/think-helper/src/helper.php ( 8.34 KB )
  8. /yingpanguazai/ssd/ssd1/www/c.460.net.cn/vendor/topthink/think-validate/src/helper.php ( 2.19 KB )
  9. /yingpanguazai/ssd/ssd1/www/c.460.net.cn/vendor/topthink/think-orm/src/helper.php ( 1.47 KB )
  10. /yingpanguazai/ssd/ssd1/www/c.460.net.cn/vendor/topthink/think-orm/stubs/load_stubs.php ( 0.16 KB )
  11. /yingpanguazai/ssd/ssd1/www/c.460.net.cn/vendor/topthink/framework/src/think/Exception.php ( 1.69 KB )
  12. /yingpanguazai/ssd/ssd1/www/c.460.net.cn/vendor/topthink/think-container/src/Facade.php ( 2.71 KB )
  13. /yingpanguazai/ssd/ssd1/www/c.460.net.cn/vendor/symfony/deprecation-contracts/function.php ( 0.99 KB )
  14. /yingpanguazai/ssd/ssd1/www/c.460.net.cn/vendor/symfony/polyfill-mbstring/bootstrap.php ( 8.26 KB )
  15. /yingpanguazai/ssd/ssd1/www/c.460.net.cn/vendor/symfony/polyfill-mbstring/bootstrap80.php ( 9.78 KB )
  16. /yingpanguazai/ssd/ssd1/www/c.460.net.cn/vendor/symfony/var-dumper/Resources/functions/dump.php ( 1.49 KB )
  17. /yingpanguazai/ssd/ssd1/www/c.460.net.cn/vendor/topthink/think-dumper/src/helper.php ( 0.18 KB )
  18. /yingpanguazai/ssd/ssd1/www/c.460.net.cn/vendor/symfony/var-dumper/VarDumper.php ( 4.30 KB )
  19. /yingpanguazai/ssd/ssd1/www/c.460.net.cn/vendor/topthink/framework/src/think/App.php ( 15.30 KB )
  20. /yingpanguazai/ssd/ssd1/www/c.460.net.cn/vendor/topthink/think-container/src/Container.php ( 15.76 KB )
  21. /yingpanguazai/ssd/ssd1/www/c.460.net.cn/vendor/psr/container/src/ContainerInterface.php ( 1.02 KB )
  22. /yingpanguazai/ssd/ssd1/www/c.460.net.cn/app/provider.php ( 0.19 KB )
  23. /yingpanguazai/ssd/ssd1/www/c.460.net.cn/vendor/topthink/framework/src/think/Http.php ( 6.04 KB )
  24. /yingpanguazai/ssd/ssd1/www/c.460.net.cn/vendor/topthink/think-helper/src/helper/Str.php ( 7.29 KB )
  25. /yingpanguazai/ssd/ssd1/www/c.460.net.cn/vendor/topthink/framework/src/think/Env.php ( 4.68 KB )
  26. /yingpanguazai/ssd/ssd1/www/c.460.net.cn/app/common.php ( 0.03 KB )
  27. /yingpanguazai/ssd/ssd1/www/c.460.net.cn/vendor/topthink/framework/src/helper.php ( 18.78 KB )
  28. /yingpanguazai/ssd/ssd1/www/c.460.net.cn/vendor/topthink/framework/src/think/Config.php ( 5.54 KB )
  29. /yingpanguazai/ssd/ssd1/www/c.460.net.cn/config/app.php ( 0.95 KB )
  30. /yingpanguazai/ssd/ssd1/www/c.460.net.cn/config/cache.php ( 0.78 KB )
  31. /yingpanguazai/ssd/ssd1/www/c.460.net.cn/config/console.php ( 0.23 KB )
  32. /yingpanguazai/ssd/ssd1/www/c.460.net.cn/config/cookie.php ( 0.56 KB )
  33. /yingpanguazai/ssd/ssd1/www/c.460.net.cn/config/database.php ( 2.47 KB )
  34. /yingpanguazai/ssd/ssd1/www/c.460.net.cn/vendor/topthink/framework/src/think/facade/Env.php ( 1.67 KB )
  35. /yingpanguazai/ssd/ssd1/www/c.460.net.cn/config/filesystem.php ( 0.61 KB )
  36. /yingpanguazai/ssd/ssd1/www/c.460.net.cn/config/lang.php ( 0.91 KB )
  37. /yingpanguazai/ssd/ssd1/www/c.460.net.cn/config/log.php ( 1.35 KB )
  38. /yingpanguazai/ssd/ssd1/www/c.460.net.cn/config/middleware.php ( 0.19 KB )
  39. /yingpanguazai/ssd/ssd1/www/c.460.net.cn/config/route.php ( 1.89 KB )
  40. /yingpanguazai/ssd/ssd1/www/c.460.net.cn/config/session.php ( 0.57 KB )
  41. /yingpanguazai/ssd/ssd1/www/c.460.net.cn/config/trace.php ( 0.34 KB )
  42. /yingpanguazai/ssd/ssd1/www/c.460.net.cn/config/view.php ( 0.82 KB )
  43. /yingpanguazai/ssd/ssd1/www/c.460.net.cn/app/event.php ( 0.25 KB )
  44. /yingpanguazai/ssd/ssd1/www/c.460.net.cn/vendor/topthink/framework/src/think/Event.php ( 7.67 KB )
  45. /yingpanguazai/ssd/ssd1/www/c.460.net.cn/app/service.php ( 0.13 KB )
  46. /yingpanguazai/ssd/ssd1/www/c.460.net.cn/app/AppService.php ( 0.26 KB )
  47. /yingpanguazai/ssd/ssd1/www/c.460.net.cn/vendor/topthink/framework/src/think/Service.php ( 1.64 KB )
  48. /yingpanguazai/ssd/ssd1/www/c.460.net.cn/vendor/topthink/framework/src/think/Lang.php ( 7.35 KB )
  49. /yingpanguazai/ssd/ssd1/www/c.460.net.cn/vendor/topthink/framework/src/lang/zh-cn.php ( 13.70 KB )
  50. /yingpanguazai/ssd/ssd1/www/c.460.net.cn/vendor/topthink/framework/src/think/initializer/Error.php ( 3.31 KB )
  51. /yingpanguazai/ssd/ssd1/www/c.460.net.cn/vendor/topthink/framework/src/think/initializer/RegisterService.php ( 1.33 KB )
  52. /yingpanguazai/ssd/ssd1/www/c.460.net.cn/vendor/services.php ( 0.14 KB )
  53. /yingpanguazai/ssd/ssd1/www/c.460.net.cn/vendor/topthink/framework/src/think/service/PaginatorService.php ( 1.52 KB )
  54. /yingpanguazai/ssd/ssd1/www/c.460.net.cn/vendor/topthink/framework/src/think/service/ValidateService.php ( 0.99 KB )
  55. /yingpanguazai/ssd/ssd1/www/c.460.net.cn/vendor/topthink/framework/src/think/service/ModelService.php ( 2.04 KB )
  56. /yingpanguazai/ssd/ssd1/www/c.460.net.cn/vendor/topthink/think-trace/src/Service.php ( 0.77 KB )
  57. /yingpanguazai/ssd/ssd1/www/c.460.net.cn/vendor/topthink/framework/src/think/Middleware.php ( 6.72 KB )
  58. /yingpanguazai/ssd/ssd1/www/c.460.net.cn/vendor/topthink/framework/src/think/initializer/BootService.php ( 0.77 KB )
  59. /yingpanguazai/ssd/ssd1/www/c.460.net.cn/vendor/topthink/think-orm/src/Paginator.php ( 11.86 KB )
  60. /yingpanguazai/ssd/ssd1/www/c.460.net.cn/vendor/topthink/think-validate/src/Validate.php ( 63.20 KB )
  61. /yingpanguazai/ssd/ssd1/www/c.460.net.cn/vendor/topthink/think-orm/src/Model.php ( 23.55 KB )
  62. /yingpanguazai/ssd/ssd1/www/c.460.net.cn/vendor/topthink/think-orm/src/model/concern/Attribute.php ( 21.05 KB )
  63. /yingpanguazai/ssd/ssd1/www/c.460.net.cn/vendor/topthink/think-orm/src/model/concern/AutoWriteData.php ( 4.21 KB )
  64. /yingpanguazai/ssd/ssd1/www/c.460.net.cn/vendor/topthink/think-orm/src/model/concern/Conversion.php ( 6.44 KB )
  65. /yingpanguazai/ssd/ssd1/www/c.460.net.cn/vendor/topthink/think-orm/src/model/concern/DbConnect.php ( 5.16 KB )
  66. /yingpanguazai/ssd/ssd1/www/c.460.net.cn/vendor/topthink/think-orm/src/model/concern/ModelEvent.php ( 2.33 KB )
  67. /yingpanguazai/ssd/ssd1/www/c.460.net.cn/vendor/topthink/think-orm/src/model/concern/RelationShip.php ( 28.29 KB )
  68. /yingpanguazai/ssd/ssd1/www/c.460.net.cn/vendor/topthink/think-helper/src/contract/Arrayable.php ( 0.09 KB )
  69. /yingpanguazai/ssd/ssd1/www/c.460.net.cn/vendor/topthink/think-helper/src/contract/Jsonable.php ( 0.13 KB )
  70. /yingpanguazai/ssd/ssd1/www/c.460.net.cn/vendor/topthink/think-orm/src/model/contract/Modelable.php ( 0.09 KB )
  71. /yingpanguazai/ssd/ssd1/www/c.460.net.cn/vendor/topthink/framework/src/think/Db.php ( 2.88 KB )
  72. /yingpanguazai/ssd/ssd1/www/c.460.net.cn/vendor/topthink/think-orm/src/DbManager.php ( 8.52 KB )
  73. /yingpanguazai/ssd/ssd1/www/c.460.net.cn/vendor/topthink/framework/src/think/Log.php ( 6.28 KB )
  74. /yingpanguazai/ssd/ssd1/www/c.460.net.cn/vendor/topthink/framework/src/think/Manager.php ( 3.92 KB )
  75. /yingpanguazai/ssd/ssd1/www/c.460.net.cn/vendor/psr/log/src/LoggerTrait.php ( 2.69 KB )
  76. /yingpanguazai/ssd/ssd1/www/c.460.net.cn/vendor/psr/log/src/LoggerInterface.php ( 2.71 KB )
  77. /yingpanguazai/ssd/ssd1/www/c.460.net.cn/vendor/topthink/framework/src/think/Cache.php ( 4.92 KB )
  78. /yingpanguazai/ssd/ssd1/www/c.460.net.cn/vendor/psr/simple-cache/src/CacheInterface.php ( 4.71 KB )
  79. /yingpanguazai/ssd/ssd1/www/c.460.net.cn/vendor/topthink/think-helper/src/helper/Arr.php ( 16.63 KB )
  80. /yingpanguazai/ssd/ssd1/www/c.460.net.cn/vendor/topthink/framework/src/think/cache/driver/File.php ( 7.84 KB )
  81. /yingpanguazai/ssd/ssd1/www/c.460.net.cn/vendor/topthink/framework/src/think/cache/Driver.php ( 9.03 KB )
  82. /yingpanguazai/ssd/ssd1/www/c.460.net.cn/vendor/topthink/framework/src/think/contract/CacheHandlerInterface.php ( 1.99 KB )
  83. /yingpanguazai/ssd/ssd1/www/c.460.net.cn/app/Request.php ( 0.09 KB )
  84. /yingpanguazai/ssd/ssd1/www/c.460.net.cn/vendor/topthink/framework/src/think/Request.php ( 55.78 KB )
  85. /yingpanguazai/ssd/ssd1/www/c.460.net.cn/app/middleware.php ( 0.25 KB )
  86. /yingpanguazai/ssd/ssd1/www/c.460.net.cn/vendor/topthink/framework/src/think/Pipeline.php ( 2.61 KB )
  87. /yingpanguazai/ssd/ssd1/www/c.460.net.cn/vendor/topthink/think-trace/src/TraceDebug.php ( 3.40 KB )
  88. /yingpanguazai/ssd/ssd1/www/c.460.net.cn/vendor/topthink/framework/src/think/middleware/SessionInit.php ( 1.94 KB )
  89. /yingpanguazai/ssd/ssd1/www/c.460.net.cn/vendor/topthink/framework/src/think/Session.php ( 1.80 KB )
  90. /yingpanguazai/ssd/ssd1/www/c.460.net.cn/vendor/topthink/framework/src/think/session/driver/File.php ( 6.27 KB )
  91. /yingpanguazai/ssd/ssd1/www/c.460.net.cn/vendor/topthink/framework/src/think/contract/SessionHandlerInterface.php ( 0.87 KB )
  92. /yingpanguazai/ssd/ssd1/www/c.460.net.cn/vendor/topthink/framework/src/think/session/Store.php ( 7.12 KB )
  93. /yingpanguazai/ssd/ssd1/www/c.460.net.cn/vendor/topthink/framework/src/think/Route.php ( 23.73 KB )
  94. /yingpanguazai/ssd/ssd1/www/c.460.net.cn/vendor/topthink/framework/src/think/route/RuleName.php ( 5.75 KB )
  95. /yingpanguazai/ssd/ssd1/www/c.460.net.cn/vendor/topthink/framework/src/think/route/Domain.php ( 2.53 KB )
  96. /yingpanguazai/ssd/ssd1/www/c.460.net.cn/vendor/topthink/framework/src/think/route/RuleGroup.php ( 22.43 KB )
  97. /yingpanguazai/ssd/ssd1/www/c.460.net.cn/vendor/topthink/framework/src/think/route/Rule.php ( 26.95 KB )
  98. /yingpanguazai/ssd/ssd1/www/c.460.net.cn/vendor/topthink/framework/src/think/route/RuleItem.php ( 9.78 KB )
  99. /yingpanguazai/ssd/ssd1/www/c.460.net.cn/route/app.php ( 1.72 KB )
  100. /yingpanguazai/ssd/ssd1/www/c.460.net.cn/vendor/topthink/framework/src/think/facade/Route.php ( 4.70 KB )
  101. /yingpanguazai/ssd/ssd1/www/c.460.net.cn/vendor/topthink/framework/src/think/route/dispatch/Controller.php ( 4.74 KB )
  102. /yingpanguazai/ssd/ssd1/www/c.460.net.cn/vendor/topthink/framework/src/think/route/Dispatch.php ( 10.44 KB )
  103. /yingpanguazai/ssd/ssd1/www/c.460.net.cn/app/controller/Index.php ( 4.81 KB )
  104. /yingpanguazai/ssd/ssd1/www/c.460.net.cn/app/BaseController.php ( 2.05 KB )
  105. /yingpanguazai/ssd/ssd1/www/c.460.net.cn/vendor/topthink/think-orm/src/facade/Db.php ( 0.93 KB )
  106. /yingpanguazai/ssd/ssd1/www/c.460.net.cn/vendor/topthink/think-orm/src/db/connector/Mysql.php ( 5.44 KB )
  107. /yingpanguazai/ssd/ssd1/www/c.460.net.cn/vendor/topthink/think-orm/src/db/PDOConnection.php ( 52.47 KB )
  108. /yingpanguazai/ssd/ssd1/www/c.460.net.cn/vendor/topthink/think-orm/src/db/Connection.php ( 8.39 KB )
  109. /yingpanguazai/ssd/ssd1/www/c.460.net.cn/vendor/topthink/think-orm/src/db/ConnectionInterface.php ( 4.57 KB )
  110. /yingpanguazai/ssd/ssd1/www/c.460.net.cn/vendor/topthink/think-orm/src/db/builder/Mysql.php ( 16.58 KB )
  111. /yingpanguazai/ssd/ssd1/www/c.460.net.cn/vendor/topthink/think-orm/src/db/Builder.php ( 24.06 KB )
  112. /yingpanguazai/ssd/ssd1/www/c.460.net.cn/vendor/topthink/think-orm/src/db/BaseBuilder.php ( 27.50 KB )
  113. /yingpanguazai/ssd/ssd1/www/c.460.net.cn/vendor/topthink/think-orm/src/db/Query.php ( 15.71 KB )
  114. /yingpanguazai/ssd/ssd1/www/c.460.net.cn/vendor/topthink/think-orm/src/db/BaseQuery.php ( 45.13 KB )
  115. /yingpanguazai/ssd/ssd1/www/c.460.net.cn/vendor/topthink/think-orm/src/db/concern/TimeFieldQuery.php ( 7.43 KB )
  116. /yingpanguazai/ssd/ssd1/www/c.460.net.cn/vendor/topthink/think-orm/src/db/concern/AggregateQuery.php ( 3.26 KB )
  117. /yingpanguazai/ssd/ssd1/www/c.460.net.cn/vendor/topthink/think-orm/src/db/concern/ModelRelationQuery.php ( 20.07 KB )
  118. /yingpanguazai/ssd/ssd1/www/c.460.net.cn/vendor/topthink/think-orm/src/db/concern/ParamsBind.php ( 3.66 KB )
  119. /yingpanguazai/ssd/ssd1/www/c.460.net.cn/vendor/topthink/think-orm/src/db/concern/ResultOperation.php ( 7.01 KB )
  120. /yingpanguazai/ssd/ssd1/www/c.460.net.cn/vendor/topthink/think-orm/src/db/concern/WhereQuery.php ( 19.37 KB )
  121. /yingpanguazai/ssd/ssd1/www/c.460.net.cn/vendor/topthink/think-orm/src/db/concern/JoinAndViewQuery.php ( 7.11 KB )
  122. /yingpanguazai/ssd/ssd1/www/c.460.net.cn/vendor/topthink/think-orm/src/db/concern/TableFieldInfo.php ( 2.63 KB )
  123. /yingpanguazai/ssd/ssd1/www/c.460.net.cn/vendor/topthink/think-orm/src/db/concern/Transaction.php ( 2.77 KB )
  124. /yingpanguazai/ssd/ssd1/www/c.460.net.cn/vendor/topthink/framework/src/think/log/driver/File.php ( 5.96 KB )
  125. /yingpanguazai/ssd/ssd1/www/c.460.net.cn/vendor/topthink/framework/src/think/contract/LogHandlerInterface.php ( 0.86 KB )
  126. /yingpanguazai/ssd/ssd1/www/c.460.net.cn/vendor/topthink/framework/src/think/log/Channel.php ( 3.89 KB )
  127. /yingpanguazai/ssd/ssd1/www/c.460.net.cn/vendor/topthink/framework/src/think/event/LogRecord.php ( 1.02 KB )
  128. /yingpanguazai/ssd/ssd1/www/c.460.net.cn/vendor/topthink/think-helper/src/Collection.php ( 16.47 KB )
  129. /yingpanguazai/ssd/ssd1/www/c.460.net.cn/vendor/topthink/framework/src/think/facade/View.php ( 1.70 KB )
  130. /yingpanguazai/ssd/ssd1/www/c.460.net.cn/vendor/topthink/framework/src/think/View.php ( 4.39 KB )
  131. /yingpanguazai/ssd/ssd1/www/c.460.net.cn/vendor/topthink/framework/src/think/Response.php ( 8.81 KB )
  132. /yingpanguazai/ssd/ssd1/www/c.460.net.cn/vendor/topthink/framework/src/think/response/View.php ( 3.29 KB )
  133. /yingpanguazai/ssd/ssd1/www/c.460.net.cn/vendor/topthink/framework/src/think/Cookie.php ( 6.06 KB )
  134. /yingpanguazai/ssd/ssd1/www/c.460.net.cn/vendor/topthink/think-view/src/Think.php ( 8.38 KB )
  135. /yingpanguazai/ssd/ssd1/www/c.460.net.cn/vendor/topthink/framework/src/think/contract/TemplateHandlerInterface.php ( 1.60 KB )
  136. /yingpanguazai/ssd/ssd1/www/c.460.net.cn/vendor/topthink/think-template/src/Template.php ( 46.61 KB )
  137. /yingpanguazai/ssd/ssd1/www/c.460.net.cn/vendor/topthink/think-template/src/template/driver/File.php ( 2.41 KB )
  138. /yingpanguazai/ssd/ssd1/www/c.460.net.cn/vendor/topthink/think-template/src/template/contract/DriverInterface.php ( 0.86 KB )
  139. /yingpanguazai/ssd/ssd1/www/c.460.net.cn/runtime/temp/a3df6b94aede6ebd0d2926ccdfcd20d5.php ( 11.98 KB )
  140. /yingpanguazai/ssd/ssd1/www/c.460.net.cn/vendor/topthink/think-trace/src/Html.php ( 4.42 KB )
  1. CONNECT:[ UseTime:0.000400s ] mysql:host=127.0.0.1;port=3306;dbname=c460;charset=utf8mb4
  2. SHOW FULL COLUMNS FROM `fenlei` [ RunTime:0.000639s ]
  3. SELECT * FROM `fenlei` WHERE `fid` = 0 [ RunTime:0.000524s ]
  4. SELECT * FROM `fenlei` WHERE `fid` = 63 [ RunTime:0.000277s ]
  5. SHOW FULL COLUMNS FROM `set` [ RunTime:0.000495s ]
  6. SELECT * FROM `set` [ RunTime:0.000472s ]
  7. SHOW FULL COLUMNS FROM `article` [ RunTime:0.000575s ]
  8. SELECT * FROM `article` WHERE `id` = 476369 LIMIT 1 [ RunTime:0.002977s ]
  9. UPDATE `article` SET `lasttime` = 1776422817 WHERE `id` = 476369 [ RunTime:0.002512s ]
  10. SELECT * FROM `fenlei` WHERE `id` = 64 LIMIT 1 [ RunTime:0.000341s ]
  11. SELECT * FROM `article` WHERE `id` < 476369 ORDER BY `id` DESC LIMIT 1 [ RunTime:0.002384s ]
  12. SELECT * FROM `article` WHERE `id` > 476369 ORDER BY `id` ASC LIMIT 1 [ RunTime:0.004344s ]
  13. SELECT * FROM `article` WHERE `id` < 476369 ORDER BY `id` DESC LIMIT 10 [ RunTime:0.004682s ]
  14. SELECT * FROM `article` WHERE `id` < 476369 ORDER BY `id` DESC LIMIT 10,10 [ RunTime:0.004244s ]
  15. SELECT * FROM `article` WHERE `id` < 476369 ORDER BY `id` DESC LIMIT 20,10 [ RunTime:0.001957s ]
0.102471s